C-UCFX09D1
MORE +
CLOSE +

NSK C-UCFX09D1

Square Flanged Units

(BRAND):NSK
(Availability):In Stock

Detailed data of

C-UCFX09D1

Designations

C-UCFX09D1

Included products

Bearing
Housing FX09D1 Housing

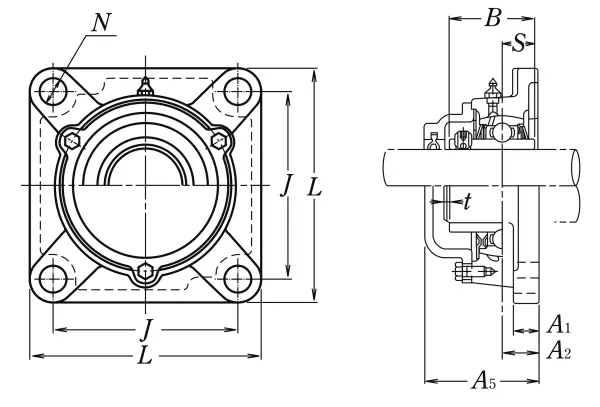
Nominal Dimensions

d 45 mm Bore diameter
L 143 mm Overall length
J 111 mm Distance between attachment bolts
N 19 mm Diameter of attachment bolt hole
A2 23 mm Flange width
A1 14 mm Flange width
A5 73 mm Width including end cover
A0 55.6 mm Overall width
B,B1,B2 51.6 mm Width of inner ring
t 3 mm Clearance
S 19 mm Distance from Opposite side face of locking device to raceway centre

Mounting information

G M16 Bolt size

Basic Load Ratings

Cr 35 kN Basic dynamic load rating
C0r 23.2 kN Basic static load rating

Mass

mass 3 kg Mass approx.

Similar to product

C-UCFX09D1