C-UKFX07D1
MORE +
CLOSE +

NSK C-UKFX07D1

Square Flanged Units

(BRAND):NSK
(Availability):In Stock

Detailed data of

C-UKFX07D1

Designations

C-UKFX07D1

Included products

Bearing
Housing FX07D1 Housing

Associated products

Adapter sleeve

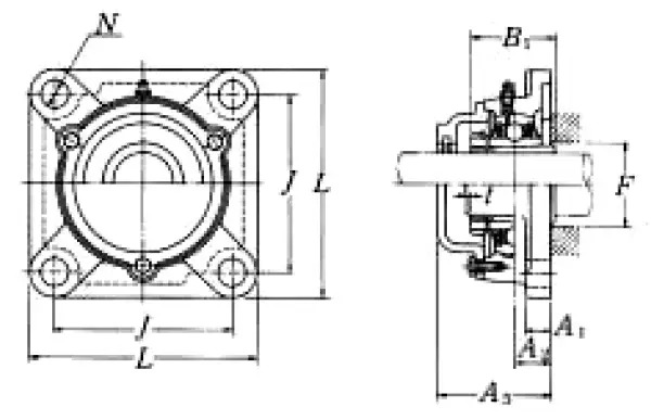
Nominal Dimensions

d 30 mm Bore diameter
L 130 mm Overall length
J 102 mm Distance between attachment bolts
N 16 mm Diameter of attachment bolt hole
A2 21 mm Flange width
A1 14 mm Flange width
A5 66 mm Width including end cover
A0 45.5 mm Overall width
B,B1,B2 43 mm Width of inner ring
t 3 mm Clearance

Mounting information

G M14 Bolt size

Basic Load Ratings

Cr 29.1 kN Basic dynamic load rating
C0r 17.8 kN Basic static load rating

Similar to product

C-UKFX07D1