CM-UCF210D1
MORE +
CLOSE +

NSK CM-UCF210D1

Square Flanged Units

(BRAND):NSK
(Availability):In Stock

Detailed data of

CM-UCF210D1

Designations

CM-UCF210D1

Included products

Bearing
Housing F210D1 Housing

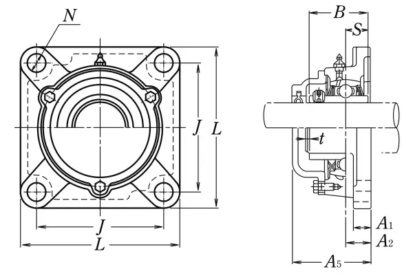
Nominal Dimensions

d 50 mm Bore diameter
L 143 mm Overall length
J 111 mm Distance between attachment bolts
N 16 mm Diameter of attachment bolt hole
A2 22 mm Flange width
A1 16 mm Flange width
A5 72 mm Width including end cover
A0 54.6 mm Overall width
B,B1,B2 51.6 mm Width of inner ring
t 3 mm Clearance
S 19 mm Distance from Opposite side face of locking device to raceway centre

Mounting information

G M14 Bolt size

Basic Load Ratings

Cr 35 kN Basic dynamic load rating
C0r 23.2 kN Basic static load rating

Mass

mass 3 kg Mass approx.

Similar to product

CM-UCF210D1