Z-UCF211D1
MORE +
CLOSE +

NSK Z-UCF211D1

Square Flanged Units

(BRAND):NSK
(Availability):In Stock

Detailed data of

Z-UCF211D1

Designations

Z-UCF211D1

Included products

Bearing
Housing F211D1 Housing

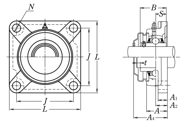
Nominal Dimensions

d 55 mm Bore diameter
L 162 mm Overall length
J 130 mm Distance between attachment bolts
N 19 mm Diameter of attachment bolt hole
A2 25 mm Flange width
A1 18 mm Flange width
A 43 mm Base width
A4 64 mm Width including end cover
A0 58.4 mm Overall width
B,B1,B2 55.6 mm Width of inner ring
t 4 mm Clearance
S 22.2 mm Distance from Opposite side face of locking device to raceway centre

Mounting information

G M16 Bolt size

Basic Load Ratings

Cr 43.5 kN Basic dynamic load rating
C0r 29.2 kN Basic static load rating

Mass

mass 3.4 kg Mass approx.

Similar to product

Z-UCF211D1