30205P5
MORE +
CLOSE +

NTN 30205P5

Tapered Roller Set - Metric Series

(BRAND):NTN
(Availability):In Stock

Detailed data of

30205P5

Technical Specifications

Type Tapered Roller Bearing
Bore Type Round
Material Case Carburized Steel
Limiting Speed - Oil 9800 RPM
Limiting Speed - Grease 7300 RPM
Style Cone & Cup
Precision Rating ISO Class 5
Configuration One
Lubrication w/o Oil Hole
e (Axial Load Factor) 0.37
Y2 (Axial Load Factor) 1.60
Y0 (Axial Load Factor) 0.88
Static Load Rating 34000 N
Dynamic Load Rating 31500 N
Enclosure Open
Operating Temperature Range -40 to 120 ºC

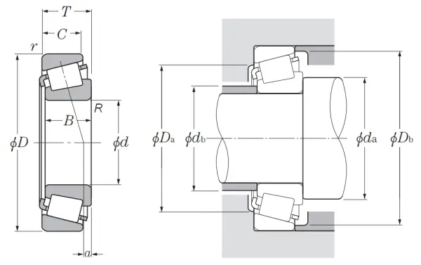
Dimensional Specifications

d 25.000 mm
D 52.000 mm
C 13.000 mm
B 15.000 mm
a (Effective Load Center) -3.750 mm
r1as max 1.000 mm
T 16.250 mm
r 1.000 mm
R 1.0 mm
da 30.5 mm
db 31.0 mm
Da 46.5 mm
Da min 44.0 mm
Db 48.0 mm
ras max 1.000 mm

Similar to product

30205P5