EC-6006ZZ
MORE +
CLOSE +

NTN EC-6006ZZ

Expansion Compensating Bearings

(BRAND):NTN
(Availability):In Stock

Detailed data of

EC-6006ZZ

Technical Specifications

Type Expansion Compensating Bearing
Bore Type Round
Material High Carbon Chrome Steel
Cage Type Pressed
Cage Material Steel
Ball Material Steel
Limiting Speed - Oil 15000 RPM
Limiting Speed - Grease 13000 RPM
Seal Type None
Seal Material None
Precision Class 0
Configuration One
Factor 14.8
Radial Internal Clearance CN
Static Load Rating 8300 N
Dynamic Load Rating 14700 N
Enclosure Double Shielded
Operating Temperature Range -40 to 120 ºC

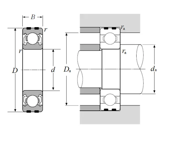
Dimensional Specifications

d 30.000 mm
D 55.000 mm
B 13.000 mm
r 1.000 mm
da min 35.000 mm
da max 37.000 mm
Da max 50.000 mm
ras max 0.5 mm

Similar to product

EC-6006ZZ