EC-6306C3
MORE +
CLOSE +

NTN EC-6306C3

Expansion Compensating Bearings

(BRAND):NTN
(Availability):In Stock

Detailed data of

EC-6306C3

Technical Specifications

Type Expansion Compensating Bearing
Bore Type Round
Material High Carbon Chrome Steel
Cage Type Pressed
Cage Material Steel
Ball Material Steel
Limiting Speed - Oil 12000 RPM
Limiting Speed - Grease 10000 RPM
Precision ISO Class 0
Configuration One
Factor 13.3
Radial Internal Clearance C3
Static Load Rating 15000 N
Dynamic Load Rating 29500 N
Enclosure Open
Weight 0.334 kg
Operating Temperature Range -40 to 120 ºC

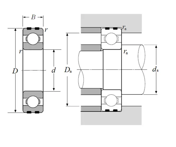
Dimensional Specifications

d 30.000 mm
D 72.000 mm
B 19.000 mm
r 1.100 mm
da min 36.500 mm
da max 43.000 mm
Da max 65.500 mm
ras max 0.5 mm

Similar to product

EC-6306C3