FLW602ZA
MORE +
CLOSE +

NTN FLW602ZA

Single Row Radial Ball Bearings

(BRAND):NTN
(Availability):In Stock

Detailed data of

FLW602ZA

Technical Specifications

Type Miniature / Extra Small Ball Bearing
Bore Type Round
Outside Ring Type Flanged
Material High Carbon Chrome Steel
Cage Type Pressed
Cage Material Steel
Limiting Speed - Oil 73000 RPM
Limiting Speed - Grease 62000 RPM
Configuration One
Factor 12.4
Static Load Rating 125 N
Dynamic Load Rating 380 N
Enclosure Removable Double Shield
Weight 0.640 kg
Operating Temperature Range -40 to 120 ºC

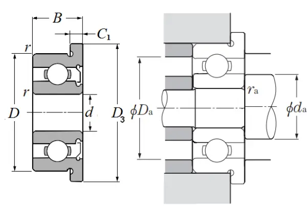
Dimensional Specifications

d 2.000 mm
D 7.000 mm
B 3.500 mm
D3 8.500 mm
C1 0.900 mm
r 0.150 mm
da min 3.200 mm
da max 3.700 mm
Da max 5.800 mm
ras max 0.150 mm

Similar to product

FLW602ZA