M5218UV
MORE +
CLOSE +

NTN M5218UV

Outer Ring with Cage and Rollers

(BRAND):NTN
(Availability):In Stock

Detailed data of

M5218UV

Technical Specifications

Type Outer Ring w/ Rollers
Bore Type Round
Material Hardened Alloy Steel
Cage Material One Piece Steel
Configuration One
Tolerance ISO Class 0 (RBEC 1)
Oil Hole w/o Oil Hole
Radial Internal Clearance CN
Static Load Rating 480000 N
Dynamic Load Rating 320000 N
Enclosure Open
Operating Temperature Range -40 to 120 ºC

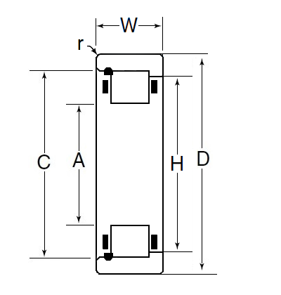
Dimensional Specifications

A 107.210 mm
D 160.000 mm
C 135.890 mm
W 52.388 mm
r 2.030 mm
H 135.890 mm

Similar to product

M5218UV