M5306UX
MORE +
CLOSE +

NTN M5306UX

Outer Ring with Cage and Rollers

(BRAND):NTN
(Availability):In Stock

Detailed data of

M5306UX

Technical Specifications

Type Outer Ring w/ Rollers
Bore Type Round
Material Hardened Alloy Steel
Cage Material X Bar Composite Steel
Configuration One
Tolerance ISO Class 0 (RBEC 1)
Oil Hole w/o Oil Hole
Radial Internal Clearance CN
Static Load Rating 103000 N
Dynamic Load Rating 87500 N
Enclosure Open
Operating Temperature Range -40 to 120 ºC

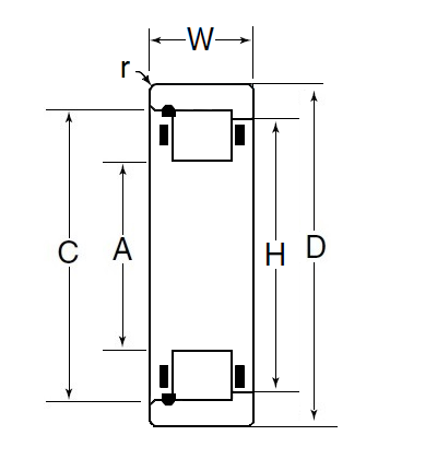
Dimensional Specifications

A 40.690 mm
D 72.000 mm
C 56.870 mm
W 30.162 mm
r 1.020 mm
H 56.870 mm

Similar to product

M5306UX