51116
MORE +
CLOSE +

NSK 51116

Single-Direction Thrust Ball Bearings

(BRAND):NSK
(Availability):In Stock

Detailed data of

51116

Designations

51116

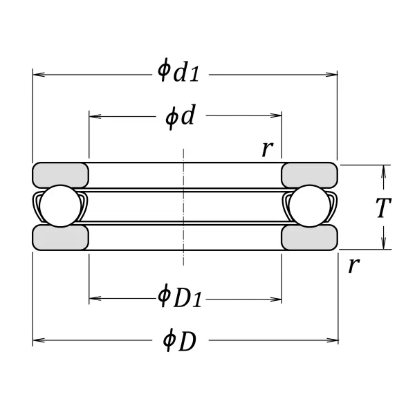
Boundary Dimensions

d 80 mm Bore diameter
D 105 mm Outside diameter
T,T3 19 mm Height
r (min.) 1 mm Chamfer dimension

Basic Load Ratings

Ca 45000 N Basic dynamic load rating
C0a 141000 N Basic static load rating

Speeds

Grease 2200 min-1 Grease lubrication
Oil (Oil-bath) 3400 min-1 Oil-bath lubrication

d1 105 mm Outside diameter shaft washer
D1 82 mm Inner diameter housing washer

Dimensions

da (min.) 95 mm Diameter of shaft abutment
Da (max.) 90 mm Diameter of housing abutment
ra (max.) 1 mm Radius of shaft or housing fillet

Similar to product

51116