Home
Brand
SKF
IKO
INA
FAG
KOYO
TIMKEN
NSK
NTN
PRECISION BEARINGS
MCGILL
THK
About us
Contact us
News
Search
Home
>
Brand
>
NSK
>
Bearings
>
Ball Bearings
>
Thrust Ball Bearings
>
Single-Direction Thrust Ball Bearings
51124
MORE +
CLOSE +
NSK 51124
Single-Direction Thrust Ball Bearings
(BRAND):NSK
(Availability):In Stock
(EMAIL):info@noksbearings.com
Detailed data of Product
similar to product
Detailed data of
51124
Single-Direction Thrust Ball Bearings
Designations
51124
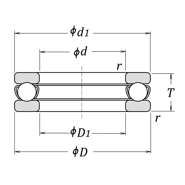
Boundary Dimensions
d
120
mm
Bore diameter
D
155
mm
Outside diameter
T,T3
25
mm
Height
r (min.)
1
mm
Chamfer dimension
Basic Load Ratings
Ca
90000
N
Basic dynamic load rating
C0a
310000
N
Basic static load rating
Speeds
Grease
1600
min-1
Grease lubrication
Oil (Oil-bath)
2400
min-1
Oil-bath lubrication
d1
155
mm
Outside diameter shaft washer
D1
122
mm
Inner diameter housing washer
Dimensions
da (min.)
141
mm
Diameter of shaft abutment
Da (max.)
134
mm
Diameter of housing abutment
ra (max.)
1
mm
Radius of shaft or housing fillet
Similar to product
51124
Single-Direction Thrust Ball Bearings
51160X
Shell
Single-Direction Thrust Ball Bearings
Read More
53260X
Shell
Single-Direction Thrust Ball Bearings
Read More
51260X
Shell
Single-Direction Thrust Ball Bearings
Read More
53260XU
Shell
Single-Direction Thrust Ball Bearings
Read More
51164X
Shell
Single-Direction Thrust Ball Bearings
Read More
53264X
Shell
Single-Direction Thrust Ball Bearings
Read More
51264X
Shell
Single-Direction Thrust Ball Bearings
Read More
53264XU
Shell
Single-Direction Thrust Ball Bearings
Read More
51168X
Shell
Single-Direction Thrust Ball Bearings
Read More
51268X
Shell
Single-Direction Thrust Ball Bearings
Read More