Home
Brand
SKF
IKO
INA
FAG
KOYO
TIMKEN
NSK
NTN
PRECISION BEARINGS
MCGILL
THK
About us
Contact us
News
Search
Home
>
Brand
>
NSK
>
Bearings
>
Ball Bearings
>
Thrust Ball Bearings
>
Single-Direction Thrust Ball Bearings
51212
MORE +
CLOSE +
NSK 51212
Single-Direction Thrust Ball Bearings
(BRAND):NSK
(Availability):In Stock
(EMAIL):info@noksbearings.com
Detailed data of Product
similar to product
Detailed data of
51212
Single-Direction Thrust Ball Bearings
Designations
51212
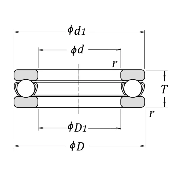
Boundary Dimensions
d
60
mm
Bore diameter
D
95
mm
Outside diameter
T,T3
26
mm
Height
r (min.)
1
mm
Chamfer dimension
Basic Load Ratings
Ca
71500
N
Basic dynamic load rating
C0a
169000
N
Basic static load rating
Speeds
Grease
2000
min-1
Grease lubrication
Oil (Oil-bath)
3000
min-1
Oil-bath lubrication
d1
95
mm
Outside diameter shaft washer
D1
62
mm
Inner diameter housing washer
Dimensions
da (min.)
81
mm
Diameter of shaft abutment
Da (max.)
74
mm
Diameter of housing abutment
ra (max.)
1
mm
Radius of shaft or housing fillet
Similar to product
51212
Single-Direction Thrust Ball Bearings
51160X
Shell
Single-Direction Thrust Ball Bearings
Read More
53260X
Shell
Single-Direction Thrust Ball Bearings
Read More
51260X
Shell
Single-Direction Thrust Ball Bearings
Read More
53260XU
Shell
Single-Direction Thrust Ball Bearings
Read More
51164X
Shell
Single-Direction Thrust Ball Bearings
Read More
53264X
Shell
Single-Direction Thrust Ball Bearings
Read More
51264X
Shell
Single-Direction Thrust Ball Bearings
Read More
53264XU
Shell
Single-Direction Thrust Ball Bearings
Read More
51168X
Shell
Single-Direction Thrust Ball Bearings
Read More
51268X
Shell
Single-Direction Thrust Ball Bearings
Read More