51316
MORE +
CLOSE +

NSK 51316

Single-Direction Thrust Ball Bearings

(BRAND):NSK
(Availability):In Stock

Detailed data of

51316

Designations

51316

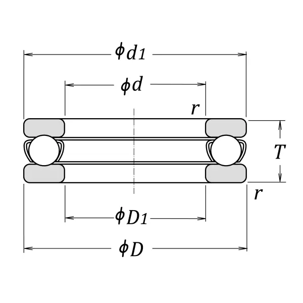
Boundary Dimensions

d 80 mm Bore diameter
D 140 mm Outside diameter
T,T3 44 mm Height
r (min.) 1.5 mm Chamfer dimension

Basic Load Ratings

Ca 164000 N Basic dynamic load rating
C0a 395000 N Basic static load rating

Speeds

Grease 1300 min-1 Grease lubrication
Oil (Oil-bath) 1900 min-1 Oil-bath lubrication

d1 140 mm Outside diameter shaft washer
D1 82 mm Inner diameter housing washer

Dimensions

da (min.) 116 mm Diameter of shaft abutment
Da (max.) 104 mm Diameter of housing abutment
ra (max.) 1.5 mm Radius of shaft or housing fillet

Similar to product

51316