51317
MORE +
CLOSE +

NSK 51317

Single-Direction Thrust Ball Bearings

(BRAND):NSK
(Availability):In Stock

Detailed data of

51317

Designations

51317

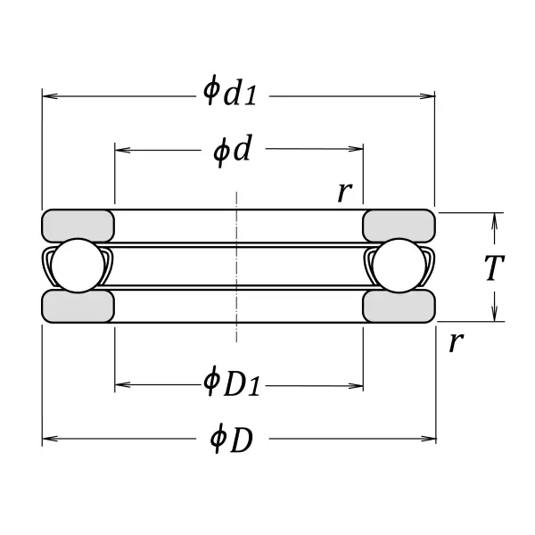
Boundary Dimensions

d 85 mm Bore diameter
D 150 mm Outside diameter
T,T3 49 mm Height
r (min.) 1.5 mm Chamfer dimension

Basic Load Ratings

Ca 207000 N Basic dynamic load rating
C0a 490000 N Basic static load rating

Speeds

Grease 1100 min-1 Grease lubrication
Oil (Oil-bath) 1700 min-1 Oil-bath lubrication

d1 150 mm Outside diameter shaft washer
D1 88 mm Inner diameter housing washer

Dimensions

da (min.) 124 mm Diameter of shaft abutment
Da (max.) 111 mm Diameter of housing abutment
ra (max.) 1.5 mm Radius of shaft or housing fillet

Similar to product

51317