53314U
MORE +
CLOSE +

NSK 53314U

Single-Direction Thrust Ball Bearings

(BRAND):NSK
(Availability):In Stock

Detailed data of

53314U

Designations

53314U

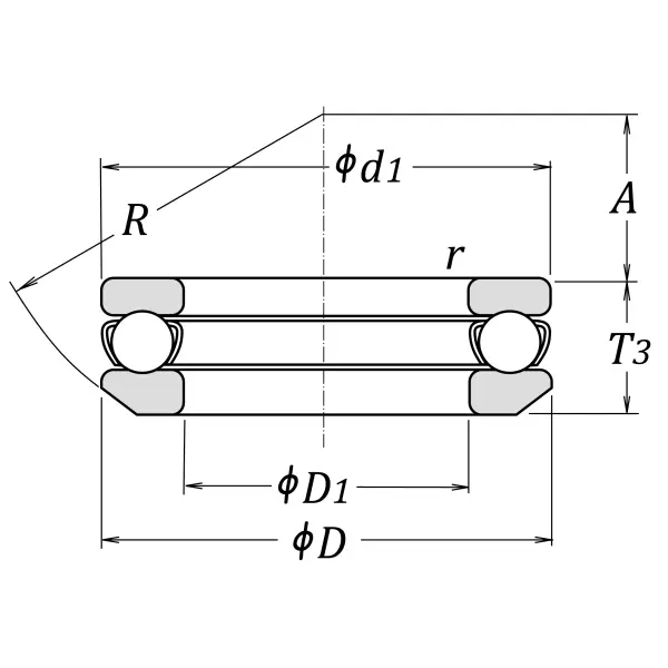
Boundary Dimensions

d 70 mm Bore diameter
D 125 mm Outside diameter
T,T3 44.2 mm Height
T4 48 mm Height bearing include seat washer
r (min.) 1.1 mm Chamfer dimension

Basic Load Ratings

Ca 137000 N Basic dynamic load rating
C0a 315000 N Basic static load rating

Speeds

Grease 1400 min-1 Grease lubrication
Oil (Oil-bath) 2000 min-1 Oil-bath lubrication

A 43 mm Centre height housing washer sphere
R 100 mm Radius sphered housing washer
b 13 mm Height sphered housing washer
D2 98 mm Inner diameter sphered seat washer
d1 125 mm Outside diameter shaft washer
D3 130 mm Outside diameter sphered housing washer
D1 72 mm Inner diameter housing washer

Dimensions

da (min.) 103 mm Diameter of shaft abutment
Da (max.) 92 mm Diameter of housing abutment
ra (max.) 1 mm Radius of shaft or housing fillet

Similar to product

53314U