Home
Brand
SKF
IKO
INA
FAG
KOYO
TIMKEN
NSK
NTN
PRECISION BEARINGS
MCGILL
THK
About us
Contact us
News
Search
Home
>
Brand
>
NSK
>
Bearings
>
Ball Bearings
>
Thrust Ball Bearings
>
Single-Direction Thrust Ball Bearings
53336XU
MORE +
CLOSE +
NSK 53336XU
Single-Direction Thrust Ball Bearings
(BRAND):NSK
(Availability):In Stock
(EMAIL):info@noksbearings.com
REQUEST A QUOTE
Detailed data of Product
similar to product
Detailed data of
53336XU
Single-Direction Thrust Ball Bearings
Designations
53336XU
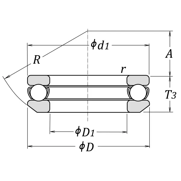
Boundary Dimensions
d
180
mm
Bore diameter
D
300
mm
Outside diameter
T,T3
99.3
mm
Height
T4
109
mm
Height bearing include seat washer
r (min.)
3
mm
Chamfer dimension
Basic Load Ratings
Ca
480000
N
Basic dynamic load rating
C0a
1680000
N
Basic static load rating
Speeds
Grease
560
min-1
Grease lubrication
Oil (Oil-bath)
850
min-1
Oil-bath lubrication
A
91
mm
Centre height housing washer sphere
R
225
mm
Radius sphered housing washer
b
32
mm
Height sphered housing washer
D2
240
mm
Inner diameter sphered seat washer
d1
295
mm
Outside diameter shaft washer
D3
310
mm
Outside diameter sphered housing washer
D1
184
mm
Inner diameter housing washer
Dimensions
da (min.)
251
mm
Diameter of shaft abutment
Da (max.)
229
mm
Diameter of housing abutment
ra (max.)
2.5
mm
Radius of shaft or housing fillet
Similar to product
53336XU
Single-Direction Thrust Ball Bearings
51160X
Shell
Single-Direction Thrust Ball Bearings
Read More
53260X
Shell
Single-Direction Thrust Ball Bearings
Read More
51260X
Shell
Single-Direction Thrust Ball Bearings
Read More
53260XU
Shell
Single-Direction Thrust Ball Bearings
Read More
51164X
Shell
Single-Direction Thrust Ball Bearings
Read More
53264X
Shell
Single-Direction Thrust Ball Bearings
Read More
51264X
Shell
Single-Direction Thrust Ball Bearings
Read More
53264XU
Shell
Single-Direction Thrust Ball Bearings
Read More
51168X
Shell
Single-Direction Thrust Ball Bearings
Read More
51268X
Shell
Single-Direction Thrust Ball Bearings
Read More