BST25X62-1BLXLDFT
MORE +
CLOSE +

NTN BST25X62-1BLXLDFT

Triple-Row Angular Contact Thrust Ball Bearings for Ball Screws

(BRAND):NTN
(Availability):In Stock

Technical Specifications

Type Angular Contact Thrust Ball Bearing for Ball Screws
Bore Type Round
Material High Carbon Chrome Steel
Cage Type Molded
Cage Material Resin
Ball Material Steel
Seal Type Contact
Seal Material Nitrile Rubber
Configuration Three
Static Load Rating 118000 N
Dynamic Load Rating 47500 N
Enclosure Double Sealed
Operating Temperature Range -40 to 120 ºC

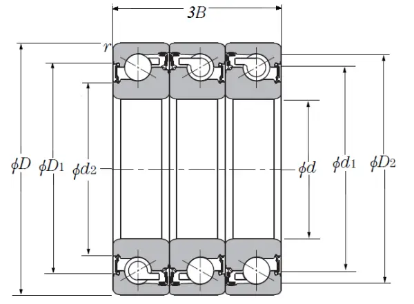
Dimensional Specifications

d 25.000 mm
D 62.000 mm
B 15.000 mm
3B 45.000 mm
d1 44.400 mm
d2 40.200 mm
D1 51.600 mm
D2 55.700 mm
r 1.000 mm
r1 0.600 mm
Contact Angle 60 º