BST40X90-1BDTT
MORE +
CLOSE +

NTN BST40X90-1BDTT

Triple-Row Angular Contact Thrust Ball Bearings for Ball Screws

(BRAND):NTN
(Availability):In Stock

Technical Specifications

Type Ball Screw Support Bearing
Bore Type Round
Material High Carbon Chrome Steel
Cage Type Molded
Cage Material Resin
Configuration Three
Static Load Rating 390000 N
Dynamic Load Rating 126000 N
Enclosure Open
Operating Temperature Range -40 to 120 ºC

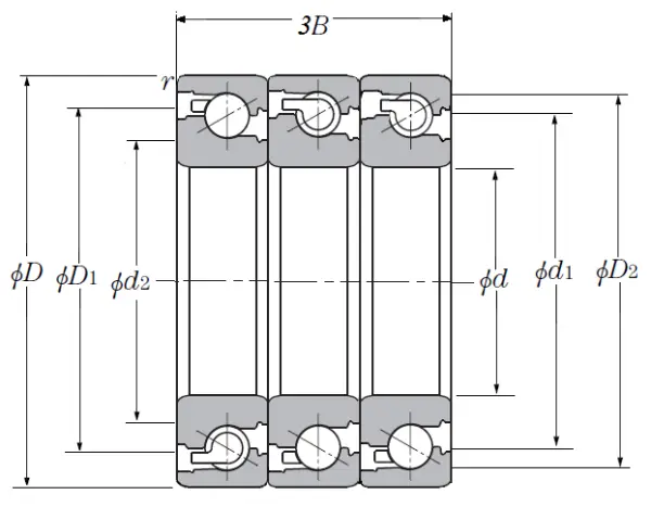
Dimensional Specifications

d 40.000 mm
D 90.000 mm
B 20.000 mm
3B 60.000 mm
d1 64.800 mm
d2 59.100 mm
D1 75.200 mm
D2 81.600 mm
r 1.000 mm
r1 0.600 mm
Contact Angle 60 º