Home
Brand
SKF
IKO
INA
FAG
KOYO
TIMKEN
NSK
NTN
PRECISION BEARINGS
MCGILL
THK
About us
Contact us
News
Search
Home
>
Brand
>
NTN
>
Needle Roller Bearings
>
Cam Followers
CR20X
MORE +
CLOSE +
NTN CR20X
Cam Followers
(BRAND):NTN
(Availability):In Stock
(EMAIL):info@noksbearings.com
Detailed data of Product
similar to product
Detailed data of
CR20X
Cam Followers
Technical Specifications
Type
Cam Follower
Material
Through Hardened Steel
Thread Type
Inch
Cage Material
Steel Plate Punched
Limiting Speed - Oil
13000 RPM
Limiting Speed - Grease
9000 RPM
Roller Type
Cylindrical
Bearing Type
Needle Roller Bearing
Outside Ring Type
Cylindrical
Enclosure
Open
Drive Type
Slot
Configuration
One
Torque
24 N·m
Static Load Rating
15900 N
Dynamic Load Rating
11400 N
Weight
0.150 kg
Operating Temperature Range
-40 to 120 ºC
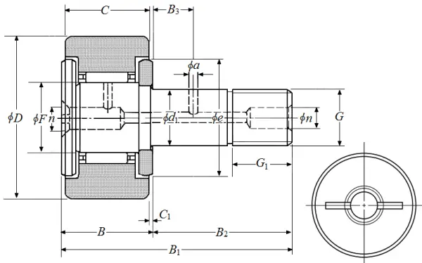
Dimensional Specifications
G
1/2-20UNF
B1
52.400 mm
B2
31.800 mm
D
31.750 mm
D Tolerance
0/-0.050 mm
B
20.600 mm
C
19.050 mm
C Tolerance
0/-0.130 mm
d1
12.700 mm
d1 Tolerance
0.025/0 mm
G1
15.900 mm
e
25.000 mm
B3
7.940 mm
a
3.000 mm
F
16.000 mm
C1
0.800 mm
n
6.000 mm
Grease Nipple Size
NIP-B6
Similar to product
CR20X
Cam Followers
Custom Engineered Wear Sleeve Link Ball for Heavy Use
Shell
News
Every day, machines rely on sturdy components to function properly. The Wear sleeve Link Balls mechanism...
Read More
High Quality Rust Resist & Low-Friction Linear Ball Slides
Shell
News
High-speed machines need to move smoothly. Clean mobility leads to better work. This is why all modern...
Read More
High Accuracy Linear Ball Slide for Robotic Machines
Shell
News
Every move that a robot makes has to be perfect and exact. When machines move in a straight line, a linear...
Read More
Industrial Bearing Wear Sleeves Supplier with Custom Sizes
Shell
News
Every day, machines in factories work long hours. They go on for hours. They have to deal with things...
Read More
Smooth Linear Ball Slide with Stable Running Accuracy
Shell
News
The goal of building a linear ball slide is to make it move smoothly and straight. Lets machines move...
Read More
Lightweight Wear Sleeves Bearing for Easy Installation
Shell
News
Using lightweight wear sleeved bearings makes machines last longer when they are used regularly. They...
Read More
Linear Ball Slide Bearing with Stable Running Performance
Shell
News
A Linear Ball Slide Bearing helps machines move smoothly and cleanly every day. It allows parts to travel...
Read More
Wear Sleeves Designed for Extended Service Life
Shell
News
Wear sleeves are very small, but they do important jobs inside machines. They make a strong wall for...
Read More
Durable Linear Ball Slide for Continuous Motion
Shell
News
You can count on a durable linear ball slide to give you smooth, steady movement every day. Thanks to...
Read More
Protective Wear Sleeves for Durable Wire Harness Systems
Shell
News
Wires can endure considerably more frequent use with the aid of protective wear sleeves. They offer robust...
Read More