CRV26H
MORE +
CLOSE +

NTN CRV26H

Cam Followers

(BRAND):NTN
(Availability):In Stock

Detailed data of

CRV26H

Technical Specifications

Type Cam Follower
Material Through Hardened Steel
Thread Type Inch
Cage Material None
Limiting Speed - Oil 6200 RPM
Limiting Speed - Grease 4800 RPM
Roller Type Crowned
Bearing Type Needle Roller Bearing
Outside Ring Type Spherical
Enclosure Open
Drive Type Hex
Configuration One
Torque 51 N·m
Static Load Rating 2150 N
Dynamic Load Rating 21100 N
Load Rating of Track 4050 N
Weight 0.280 kg
Operating Temperature Range -40 to 120 ºC

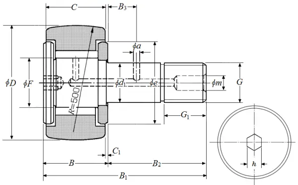
Dimensional Specifications

G 5/8-18UNF
B1 61.900 mm
B2 38.100 mm
D 41.275 mm
D Tolerance 0/-0.050 mm
B 23.800 mm
C 22.225 mm
C Tolerance 0/-0.130 mm
d1 15.875 mm
d1 Tolerance 0.025/0 mm
G1 19.100 mm
e 27.000 mm
B3 9.530 mm
a 4.000 mm
F 21.000 mm
C1 0.800 mm
h 7.938 mm
m 6.000 mm
Grease Nipple Size NIP-B6

Similar to product

CRV26H