CRV30
MORE +
CLOSE +

NTN CRV30

Cam Followers

(BRAND):NTN
(Availability):In Stock

Detailed data of

CRV30

Technical Specifications

Type Cam Follower
Material Through Hardened Steel
Thread Type Inch
Cage Material None
Limiting Speed - Oil 5300 RPM
Limiting Speed - Grease 4100 RPM
Roller Type Crowned
Bearing Type Needle Roller Bearing
Outside Ring Type Spherical
Enclosure Open
Drive Type Slot
Configuration One
Torque 92 N·m
Static Load Rating 60500 N
Dynamic Load Rating 28400 N
Load Rating of Track 4850 N
Weight 0.440 kg
Operating Temperature Range -40 to 120 ºC

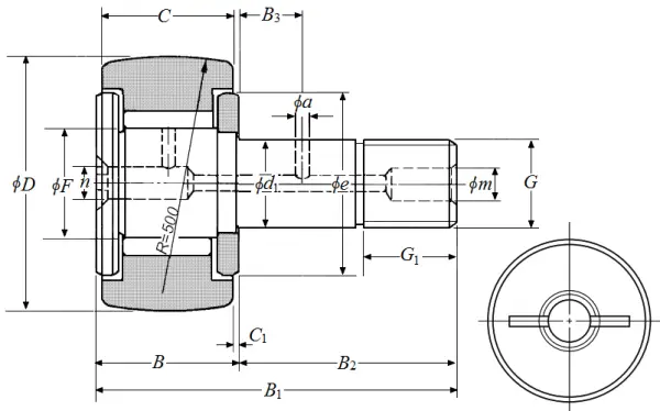
Dimensional Specifications

G 3/4-16UNF
B1 71.400 mm
B2 44.500 mm
D 47.625 mm
D Tolerance 0/-0.050 mm
B 26.900 mm
C 25.400 mm
C Tolerance 0/-0.130 mm
d1 19.050 mm
d1 Tolerance 0.025/0 mm
G1 22.200 mm
e 36.500 mm
B3 11.110 mm
a 4.000 mm
F 24.650 mm
C1 0.800 mm
n 6.000 mm
m 6.000 mm
Grease Nipple Size NIP-B6

Similar to product

CRV30