Home
Brand
SKF
IKO
INA
FAG
KOYO
TIMKEN
NSK
NTN
PRECISION BEARINGS
MCGILL
THK
About us
Contact us
News
Search
Home
>
Brand
>
NTN
>
Needle Roller Bearings
>
Cam Followers
CRV52H
MORE +
CLOSE +
NTN CRV52H
Cam Followers
(BRAND):NTN
(Availability):In Stock
(EMAIL):info@noksbearings.com
Detailed data of Product
similar to product
Detailed data of
CRV52H
Cam Followers
Technical Specifications
Type
Cam Follower
Material
Through Hardened Steel
Thread Type
Inch
Cage Material
None
Limiting Speed - Oil
3500 RPM
Limiting Speed - Grease
2700 RPM
Roller Type
Crowned
Bearing Type
Needle Roller Bearing
Outside Ring Type
Spherical
Enclosure
Open
Drive Type
Hex
Configuration
One
Torque
435 N·m
Static Load Rating
7800 N
Dynamic Load Rating
76500 N
Load Rating of Track
10000 N
Weight
2.200 kg
Operating Temperature Range
-40 to 120 ºC
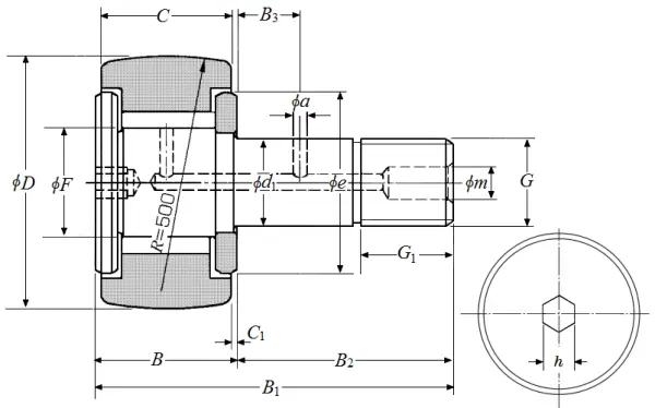
Dimensional Specifications
G
1-1/4-12UNF
B1
109.500 mm
B2
63.500 mm
D
82.550 mm
D Tolerance
0/-0.050 mm
B
46.000 mm
C
44.450 mm
C Tolerance
0/-0.130 mm
d1
31.750 mm
d1 Tolerance
0.025/0 mm
G1
31.800 mm
e
53.000 mm
B3
15.880 mm
a
5.000 mm
F
36.850 mm
C1
0.800 mm
h
15.875 mm
m
8.000 mm
Grease Nipple Size
NIP-B8
Similar to product
CRV52H
Cam Followers
Compact Linear Ball Slide Optimized for Limited Spaces
Shell
News
Compact machines can’t work well every day without very complicated motion parts. On a small linear...
Read More
Durable and Flexible Wear Sleeves for Industrial Equipment
Shell
News
Industrial machines operate daily in harsh environments. Over time, this constant movement causes damage....
Read More
Low Friction Linear Ball Slides for Daily Industrial Use
Shell
News
Ultra-low-friction linear ball slides are tiny parts that let machines move smoothly and easily over...
Read More
Industrial Micro-Finish Wear Sleeves for Smooth Operation
Shell
News
Industrial micro-finish wear sleeves make machines last longer by giving shafts a smooth, clean surface....
Read More
Quick-Fit Wear Sleeves for Leak-Free Seal Performance
Shell
News
Wear sleeves that are small, light, and easy to put on are made to slide over worn or rough spots on...
Read More
Precision Linear Ball Slides for Smooth Motion and Stability
Shell
News
Everyday tools need to work smoothly. A tool that moves easily cuts down on heat growth, scraping, and...
Read More
Buy Premium Cam Followers–Smooth Motion & Heavy Load Support
Shell
News
Cam followers? You see them in all sorts of machines these days. Though they seem tiny, they’re...
Read More
Premium IKO Needle Roller Bearings – Shop Quality Bearings
Shell
News
Want your machines to run without a hitch? You want parts that can take some punishment. Bearings are...
Read More
Smooth-Glide Linear Ball Slide for Precise Motion
Shell
News
This Linear Ball Slide lets things slide slowly, softly, and calmly now that it has even more precise...
Read More
High-Strength Wear Sleeves for Shaft Guarding
Shell
Brand
High‑strength wear sleeves help protect the shaft by adding a tough but smooth layer around it. They...
Read More