Home
Brand
SKF
IKO
INA
FAG
KOYO
TIMKEN
NSK
NTN
PRECISION BEARINGS
MCGILL
THK
About us
Contact us
News
Search
Home
>
Brand
>
NTN
>
Needle Roller Bearings
>
Cam Followers
CRV8
MORE +
CLOSE +
NTN CRV8
Cam Followers
(BRAND):NTN
(Availability):In Stock
(EMAIL):info@noksbearings.com
Detailed data of Product
similar to product
Detailed data of
CRV8
Cam Followers
Technical Specifications
Type
Cam Follower
Material
Through Hardened Steel
Thread Type
Inch
Cage Material
None
Limiting Speed - Oil
22000 RPM
Limiting Speed - Grease
17000 RPM
Roller Type
Crowned
Bearing Type
Needle Roller Bearing
Outside Ring Type
Spherical
Enclosure
Open
Drive Type
Slot
Configuration
One
Torque
2 N·m
Static Load Rating
3750 N
Dynamic Load Rating
3400 N
Load Rating of Track
790 N
Weight
0.010 kg
Operating Temperature Range
-40 to 120 ºC
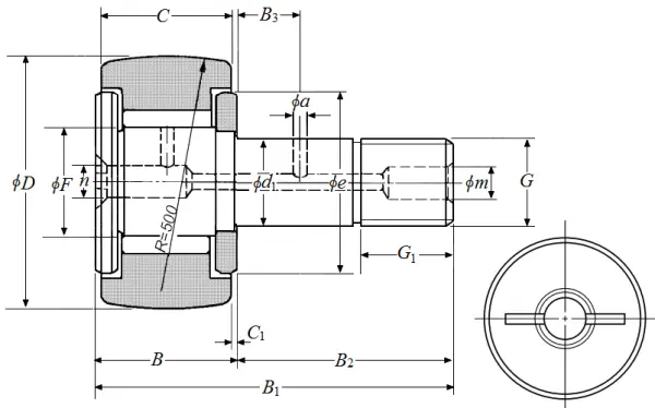
Dimensional Specifications
G
No.10-32UNF
B1
23.000 mm
B2
12.700 mm
D
12.700 mm
D Tolerance
0/-0.050 mm
B
10.300 mm
C
8.731 mm
C Tolerance
0/-0.130 mm
d1
4.826 mm
d1 Tolerance
0.025/0 mm
G1
6.400 mm
e
10.000 mm
F
5.750 mm
C1
0.800 mm
n
3.000 mm
m
3.000 mm
Grease Nipple Size
NIP-B8
Similar to product
CRV8
Cam Followers
Custom Engineered Wear Sleeve Link Ball for Heavy Use
Shell
News
Every day, machines rely on sturdy components to function properly. The Wear sleeve Link Balls mechanism...
Read More
High Quality Rust Resist & Low-Friction Linear Ball Slides
Shell
News
High-speed machines need to move smoothly. Clean mobility leads to better work. This is why all modern...
Read More
High Accuracy Linear Ball Slide for Robotic Machines
Shell
News
Every move that a robot makes has to be perfect and exact. When machines move in a straight line, a linear...
Read More
Industrial Bearing Wear Sleeves Supplier with Custom Sizes
Shell
News
Every day, machines in factories work long hours. They go on for hours. They have to deal with things...
Read More
Smooth Linear Ball Slide with Stable Running Accuracy
Shell
News
The goal of building a linear ball slide is to make it move smoothly and straight. Lets machines move...
Read More
Lightweight Wear Sleeves Bearing for Easy Installation
Shell
News
Using lightweight wear sleeved bearings makes machines last longer when they are used regularly. They...
Read More
Linear Ball Slide Bearing with Stable Running Performance
Shell
News
A Linear Ball Slide Bearing helps machines move smoothly and cleanly every day. It allows parts to travel...
Read More
Wear Sleeves Designed for Extended Service Life
Shell
News
Wear sleeves are very small, but they do important jobs inside machines. They make a strong wall for...
Read More
Durable Linear Ball Slide for Continuous Motion
Shell
News
You can count on a durable linear ball slide to give you smooth, steady movement every day. Thanks to...
Read More
Protective Wear Sleeves for Durable Wire Harness Systems
Shell
News
Wires can endure considerably more frequent use with the aid of protective wear sleeves. They offer robust...
Read More