Home
Brand
SKF
IKO
INA
FAG
KOYO
TIMKEN
NSK
NTN
PRECISION BEARINGS
MCGILL
THK
About us
Contact us
News
Search
Home
>
Brand
>
NTN
>
Needle Roller Bearings
>
Complex Bearings
>
Complex Bearing w/ Inner Ring
NKX12T2Z+1R9X12X16
MORE +
CLOSE +
NTN NKX12T2Z+1R9X12X16
Complex Bearing w/ Inner Ring
(BRAND):NTN
(Availability):In Stock
(EMAIL):info@noksbearings.com
Detailed data of Product
similar to product
Detailed data of
NKX12T2Z+1R9X12X16
Complex Bearing w/ Inner Ring
Technical Specifications
Type
Complex Bearing
Bore Type
Round
Configuration
One
Clearance
CN
Material
High Carbon Chrome Steel
Cage Material
Nylon
Limiting Speed - Oil
9200 RPM
Limiting Speed - Grease
6400 RPM
Precision
ISO Class 0
Enclosure
Open
Weight
0.050 kg
Axial Static Load Rating
15400 N
Axial Dynamic Load Rating
10300 N
Radial Static Load Rating
7700 N
Radial Dynamic Load Rating
6000 N
Operating Temperature Range
-40 to 120 ºC
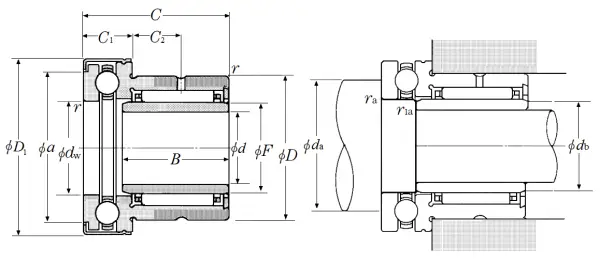
Dimensional Specifications
d
9.000 mm
dw
12.000 mm
dw Tolerance
0.050/0.032 mm
D
21.000 mm
D1
27.000 mm
B
16.000 mm
F
12.000 mm
C (0/-0.250)
23.000 mm
C1 (0/-0.20)
9.000 mm
C2
6.500 mm
a
21.700 mm
r
0.300 mm
r1
0.300 mm
da min
20.000 mm
db min
11.000 mm
ras max
0.300 mm
r1as max
0.300 mm
Similar to product
NKX12T2Z+1R9X12X16
Complex Bearing w/ Inner Ring
Custom Engineered Wear Sleeve Link Ball for Heavy Use
Shell
News
Every day, machines rely on sturdy components to function properly. The Wear sleeve Link Balls mechanism...
Read More
High Quality Rust Resist & Low-Friction Linear Ball Slides
Shell
News
High-speed machines need to move smoothly. Clean mobility leads to better work. This is why all modern...
Read More
High Accuracy Linear Ball Slide for Robotic Machines
Shell
News
Every move that a robot makes has to be perfect and exact. When machines move in a straight line, a linear...
Read More
Industrial Bearing Wear Sleeves Supplier with Custom Sizes
Shell
News
Every day, machines in factories work long hours. They go on for hours. They have to deal with things...
Read More
Smooth Linear Ball Slide with Stable Running Accuracy
Shell
News
The goal of building a linear ball slide is to make it move smoothly and straight. Lets machines move...
Read More
Lightweight Wear Sleeves Bearing for Easy Installation
Shell
News
Using lightweight wear sleeved bearings makes machines last longer when they are used regularly. They...
Read More
Linear Ball Slide Bearing with Stable Running Performance
Shell
News
A Linear Ball Slide Bearing helps machines move smoothly and cleanly every day. It allows parts to travel...
Read More
Wear Sleeves Designed for Extended Service Life
Shell
News
Wear sleeves are very small, but they do important jobs inside machines. They make a strong wall for...
Read More
Durable Linear Ball Slide for Continuous Motion
Shell
News
You can count on a durable linear ball slide to give you smooth, steady movement every day. Thanks to...
Read More
Protective Wear Sleeves for Durable Wire Harness Systems
Shell
News
Wires can endure considerably more frequent use with the aid of protective wear sleeves. They offer robust...
Read More