Home
Brand
SKF
IKO
INA
FAG
KOYO
TIMKEN
NSK
NTN
PRECISION BEARINGS
MCGILL
THK
About us
Contact us
News
Search
Home
>
Brand
>
NTN
>
Needle Roller Bearings
>
Cam Followers
NUKR90XH
MORE +
CLOSE +
NTN NUKR90XH
Cam Followers
(BRAND):NTN
(Availability):In Stock
(EMAIL):info@noksbearings.com
Detailed data of Product
similar to product
Detailed data of
NUKR90XH
Cam Followers
Technical Specifications
Type
Cam Follower
Material
Through Hardened Steel
Thread Type
Metric
Cage Material
None
Limiting Speed - Grease
2100 RPM
Roller Type
Cylindrical
Stud Type
Standard
Bearing Type
Needle Roller Bearing
Outside Ring Type
Cylindrical
Enclosure
Shielded
Drive Type
Hex
Configuration
One
Torque
360.0 N·m
Static Load Rating
151000 N
Dynamic Load Rating
101000 N
Load Rating of Track
59000 N
Weight
1.960 kg
Operating Temperature Range
-40 to 120 ºC
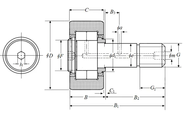
Dimensional Specifications
G
M30x1.5
B1
100.000 mm
B2
63.000 mm
D
90.000 mm
D Tolerance
0/-0.050 mm
B
37.000 mm
C
35.000 mm
d1
30.000 mm
d1 Tolerance
0/-0.021 mm
G1
32.000 mm
e
51.000 mm
B3
15.000 mm
a
4.000 mm
F
47.500 mm
C1
1.000 mm
h
8.000 mm
m
8.000 mm
Grease Nipple Size
NIP-B8
Similar to product
NUKR90XH
Cam Followers
Custom Engineered Wear Sleeve Link Ball for Heavy Use
Shell
News
Every day, machines rely on sturdy components to function properly. The Wear sleeve Link Balls mechanism...
Read More
High Quality Rust Resist & Low-Friction Linear Ball Slides
Shell
News
High-speed machines need to move smoothly. Clean mobility leads to better work. This is why all modern...
Read More
High Accuracy Linear Ball Slide for Robotic Machines
Shell
News
Every move that a robot makes has to be perfect and exact. When machines move in a straight line, a linear...
Read More
Industrial Bearing Wear Sleeves Supplier with Custom Sizes
Shell
News
Every day, machines in factories work long hours. They go on for hours. They have to deal with things...
Read More
Smooth Linear Ball Slide with Stable Running Accuracy
Shell
News
The goal of building a linear ball slide is to make it move smoothly and straight. Lets machines move...
Read More
Lightweight Wear Sleeves Bearing for Easy Installation
Shell
News
Using lightweight wear sleeved bearings makes machines last longer when they are used regularly. They...
Read More
Linear Ball Slide Bearing with Stable Running Performance
Shell
News
A Linear Ball Slide Bearing helps machines move smoothly and cleanly every day. It allows parts to travel...
Read More
Wear Sleeves Designed for Extended Service Life
Shell
News
Wear sleeves are very small, but they do important jobs inside machines. They make a strong wall for...
Read More
Durable Linear Ball Slide for Continuous Motion
Shell
News
You can count on a durable linear ball slide to give you smooth, steady movement every day. Thanks to...
Read More
Protective Wear Sleeves for Durable Wire Harness Systems
Shell
News
Wires can endure considerably more frequent use with the aid of protective wear sleeves. They offer robust...
Read More